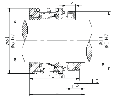
126
  型號規格/尺寸 | d | d1 | D | D1 | L | L1 | L2 | L3 | L4 | 126-30 | 30 | 52 | 45 | 39 | 51 | 45 | 19 | 5 | 7.5 | 126-35 | 35 | 57 | 50 | 44 | 53 | 47 | 20 | 5 | 7.5 | 126-40 | 40 | 64 | 58 | 51 | 58 | 52 | 20 | 5 | 9.0 | 126-45 | 45 | 72 | 63 | 56 | 62 | 56 | 20 | 5 | 9.0 | 126-50 | 50 | 76 | 70 | 62 | 64 | 57 | 22 | 6 | 9.5 | 126-55 | 55 | 82 | 75 | 67 | 64 | 57 | 22 | 6 | 11.0 | 126-60 | 60 | 86 | 80 | 72 | 65 | 58 | 22 | 6 | 11.5 | 126-65 | 65 | 92 | 85 | 77 | 68 | 61 | 23 | 6 | 11.5 | 126-70 | 70 | 100 | 92 | 83 | 69 | 62 | 25 | 6 | 11.5 | 126-75 | 75 | 105 | 97 | 88 | 71 | 64 | 25 | 6 | 11.5 | 126-80 | 80 | 115 | 105 | 95 | 72 | 65 | 25 | 6 | 12.0 |
|